Нашата серија RCS, преку професионален дизајн и техничко производство, ги задоволува разновидните потреби на заптивките за заптивка на клипот на шипката, обезбедувајќи прецизни решенија од општи сценарија до екстремни услови за работа.
Во однос на структурниот дизајн, основните модели се во центарот на стабилноста и леснотијата на користење: RCS101/103 ја подобрува стабилноста на вградување преку пред-затегнување О-прстени или помошни усни, особено за кратки удари; RCS102/104R/117R поддржува поголеми притисоци со оптимизирање на компатибилноста на материјалот и жлебот (како што е RCS102R за стандардни сценарија со висок притисок на жлебот). За пневматски системи, RCS105/205 усвојува посебен дизајн на усните за одржување на маслото за подмачкување и прилагодување на околини за подмачкување/не-подмачкување.
Ruichen Peals исто така се фокусира на материјална и функционална иновација. Модели како што се RCS118/119/124-129 користат политетрафлуороетилен (PTFE) или полиуретан како главно тело, комбинирано со мандер извори или прстени за балансирање на притисокот, за да се постигне ниско триење, анти-суво абење и отпорност на корозија, исполнувајќи ја чистата и високата температурна отпорност на отпорот на хемикалии и опрема за пополнување на храна. RCS129 може да формира систем за запечатување со RCS101, кој е погоден за машини за одење и тешка хидраулична опрема; RCS126-128 го оптимизира запечатувањето на низок притисок преку асиметричен дизајн на V-парчиња и е прилагодено за фармацевтската и хемиската индустрија.
За сложени услови за работа, RCS120/138 и други пломби со двојно дејство имаат интегриран дизајн на прстенот за поддршка, кој е отпорен на висок притисок и искривување и се прилагодува на компактните жлебови; RCS131 е замена за О-прстен, која е и отпорна на екструзија и хемиска отпорност и стана најпосакуван избор за храна и фармацевтска индустрија. И RCS116/216 можат брзо да ги поправат старите цилиндри преку инсталација на тела за да ги намалат трошоците за време на застој.
Серијата RCS им помага на клиентите да се справат со висок притисок, голема брзина, корозивни медиуми и специјални предизвици во индустријата и да ја подобрат сигурноста и животот на опремата.
Карактеристики и апликации на производи:
Заптивките за заптивка на заптивката на клипот се погодни за хидраулични цилиндри и цилиндри, инженерски возила, земјоделски машини, кранови и морска хидраулична опрема, машински алати.
Се користи во тешки индустриски машини, преси, хемиска индустрија, брзи цилиндри на нафта и машини за позиционирање на прехранбената индустрија, фармацевтска индустрија.
Предности
Заптивките за заптивка на заптивката на клипот на шипката се вградени во жлебот стабилно, со широк опсег на температура, одлични статички и динамични перформанси на запечатување и силна способност за обновување на преостаната нафта под динамични услови. Ниско триење, без притаен отпорност на абење, ниски вредности на статичко и триење, само добри перформанси против екстузија, добра термичка спроводливост и широк опсег на температура.
Погодно за стари клипни шипки, лесен од типот лесен за инсталирање на притаен.

RCS101
Големина на нарачката
Φd ...... надворешен дијаметар
Φd ...... внатрешен дијаметар
L ...... ширина на жлебот
| Површинска завршница | R tmax (μm) | РА (μm) |
| Лизгачки површински заптивки/полиуретански заптивки Лизгачки површински заптивки на PTFE | .52,5 ≤2 | ≤0.1-0.5 ≤0.05-0.3 |
| Дното на жлебот Страна на жлебот | .36.3 ≤15 | .61.6 ≤3 |
| Сооднос на должина на поддршка на профилот на ТП | 50%-95% |
|
| Толеранција | |
| Φd | F8 |
| Φd | H10 |
Пример за нарачки
Модел: RCS101
Големина на жлебот: 100x115x10
Материјал: RC-Pu-H

Тип на печат: RCS101, RCS102, RCS103, RCS104, RCS205, RCS106, RCS107, RCS108, RCS117, RCS121
Главна апликација: Погоден за хидраулични и пневматски цилиндри
Предности: Стабилно вградување во жлебот, широк опсег на температура, одлични статички и динамични перформанси за запечатување, силна способност за екстракција на преостаната нафта под динамични услови.
Материјал: Полиуретан, гума
| Примери за запечатување на жлеб | Следниве се стандардни димензии на жлебот (може да се произведат заптивки за прашина од која било големина во опсегот на големината) | ||||||||
![]() |
![]() |
Φd | Φd | L | c/s | Максимален јаз во истиснување | |||
| 100bar | 250bar | 400BAR | |||||||
| 5-24.9 | Φd+8 | 6.3 | 4 | 0.50 | 0.35 | 0.25 | |||
| 25-49.9 | Φd+10 | 8 | 5 | 0.50 | 0.35 | 0.25 | |||
| 50-149.9 | Φd+15 | 10 | 7.5 | 0.50 | 0.35 | 0.25 | |||
| 150-229.9 | Φd+20 | 14 | 10 | 0.50 | 0.35 | 0.25 | |||
| 300-499.9 | Φd+25 | 17 | 12.5 | 0.50 | 0.35 | 0.25 | |||
| 500-699.9 | Φd+30 | 25 | 15 | 0.50 | 0.35 | 0.25 | |||
| 700 > | Φd+40 | 32 | 20 | 0.60 | 0.40 | 0.30 | |||
| > 1000 | Φd+50 | 40 | 25 | 0.70 | 0.50 | 0.40 | |||

RCS109
Големина на нарачката
Φd ...... надворешен дијаметар
Φd ...... внатрешен дијаметар
L ...... ширина на жлебот
|
Површинска завршница |
R tmax (μm) |
РА (μm) |
|
Лизгачки површински заптивки/полиуретански заптивки Лизгачки површински заптивки на PTFE |
.52,5
≤2 |
≤0.1-0.5
≤0.05-0.3 |
|
Дното на жлебот Страна на жлебот |
.36.3 ≤15 |
.61.6 ≤3 |
|
Сооднос на должина на поддршка на профилот на ТП |
50%-95% |
|
|
Толеранција |
|
|
Φd |
F8 |
|
Φd |
H10 |
Пример за нарачки
Модел: RCS109
Големина на жлебот: 100x115.1x6.3
Материјал: PTFE3+NBR

Тип на печат: RCS109
Главна апликација: Инженерски возила, земјоделски машини, кранови, морска хидраулична опрема, машински алати.
Предности: ниско триење, без лази, висока отпорност на абење, само добри перформанси против екстракција, добра топлинска спроводливост, стабилен жлеб за вградување, широк опсег на температура.
Материјал: Тетрафлуороетилен, нитрилна гума или флуор гума
|
Примери за запечатување на жлеб |
Следниве се стандардни димензии на жлебот (може да се произведат заптивки за прашина од која било големина во опсегот на големината) |
||||||||
|
|
|
Φd |
Φd |
L |
c/s |
Максимален јаз во истиснување |
|||
|
100bar |
200Bar |
400BAR |
|||||||
|
5-7.9 |
Φd+4.9 |
2.2 |
2.45 |
0.30 |
0.20 |
0.15 |
|||
|
8-18.9 |
Φd+7.3 |
3.2 |
3.64 |
0.40 |
0.25 |
0.15 |
|||
|
19-37.9 |
Φd+10.7 |
4.2 |
5.35 |
0.40 |
0.25 |
0.20 |
|||
|
38-199.9 |
Φd+15.1 |
6.3 |
7.55 |
0.50 |
0.30 |
0.20 |
|||
|
200-255.9 |
Φd+20.5 |
8.1 |
10.25 |
0.60 |
0.35 |
0.25 |
|||
|
256-649.9 |
Φd+24 |
8.1 |
12 |
0.60 |
0.35 |
0.25 |
|||
|
650-1000 |
Φd+27.3 |
9.5 |
13.65 |
0.70 |
0.50 |
0.30 |
|||
|
> 1000 |
Φd+38 |
13.8 |
19 |
1.00 |
0.70 |
0.50 |
|||

RCS110-112
Големина на нарачката
Φd ...... надворешен дијаметар
Φd ...... внатрешен дијаметар
L ...... ширина на жлебот
|
Површинска завршница |
R tmax (μm) |
РА (μm) |
|
Лизгачки површински заптивки/полиуретански заптивки Лизгачки површински заптивки на PTFE |
.52,5
≤2 |
≤0.1-0.5
≤0.05-0.3 |
|
Дното на жлебот Страна на жлебот |
.36.3 ≤15 |
.61.6 ≤3 |
|
Сооднос на должина на поддршка на профилот на ТП |
50%-95% |
|
|
Толеранција |
|
|
Φd |
F8 |
|
Φd |
H10 |
Пример за нарачки
Модел: RCS110-112
Големина на жлебот: 100x120x32
Материјал: RC-Pu-H+Pom

Тип на печат: RCS110-112, RCS126-128
Главна апликација: За тешка индустриска машинерија, преси
Предности: Погодно за стари клипни шипки, отворен тип лесен за инсталирање на ползавец
Материјал: Полиуретан, полиоксиметилен, најлон
|
Примери за запечатување на жлеб |
Следниве се стандардни димензии на жлебот (може да се произведат заптивки за прашина од која било големина во опсегот на големината) |
|||||
|
|
|
Φd |
Φd |
L |
c/s |
|
|
10-39.9 |
Φd+10 |
16 |
5 |
|||
|
40-74.9 |
Φd+15 |
25 |
7.5 |
|||
|
75-149.9 |
Φd+20 |
32 |
10 |
|||
|
150-199.9 |
Φd+25 |
40 |
12.5 |
|||
|
200-299.9 |
Φd+30 |
50 |
15 |
|||
|
300-599.9 |
Φd+40 |
63 |
20 |
|||
|
600 > |
Φd+40 |
80 |
20 |
|||
|
> 1000 |
Φd+50 |
100 |
25 |
|||

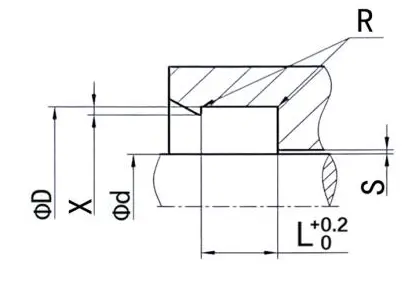
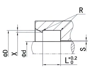
RCS119
Големина на нарачката
Φd ...... надворешен дијаметар
Φd ...... внатрешен дијаметар
L ...... ширина на жлебот
|
Површинска завршница |
R tmax (μm) |
РА (μm) |
|
Лизгачки површински заптивки/полиуретански заптивки Лизгачки површински заптивки на PTFE |
.52,5
≤2 |
≤0.1-0.5
≤0.05-0.3 |
|
Дното на жлебот Страна на жлебот |
.36.3 ≤15 |
.61.6 ≤3 |
|
Сооднос на должина на поддршка на профилот на ТП |
50%-95% |
|
|
Толеранција |
|
|
Φd |
F8 |
|
Φd |
H10 |
Пример за нарачки
Модел: RCS119
Големина на жлебот: 100x109.4x7.1
Материјал: PTFE2+NBR

Тип на печат: RCS119
Главна примена: Хемиска индустрија, брзи цилиндри и машини за позиционирање. Прехранбена индустрија, фармацевтска индустрија.
Предности: Отпорен на високи температури и разни хемиски медиуми, низок коефициент на триење, без лази, добри карактеристики на суво триење, ниски статични и вредности на триење.
Материјал: ptfe+лисја пролет
|
Примери за запечатување на жлеб |
Следниве се стандардни димензии на жлебот (може да се произведат заптивки за прашина од која било големина во опсегот на големината) |
|||||||||
|
|
|
Φd |
Φd |
L |
R |
X |
Максимален јаз во истиснување |
|||
|
100bar |
200Bar |
400BAR |
||||||||
|
10-19.9 |
D+4.5 |
3.6 |
0.4 |
0.6 |
0.15 |
0.10 |
0.07 |
|||
|
20-39.9 |
Д+6.2 |
4.8 |
0.6 |
0.7 |
0.20 |
0.15 |
0.08 |
|||
|
40-119.9 |
Д+9.4 |
7.1 |
0.8 |
0.8 |
0.25 |
0.20 |
0.10 |
|||
|
120-1000 |
Д+12.2 |
9.5 |
0.8 |
0.9 |
0.30 |
0.25 |
0.12 |
|||
|
> 1000 |
Д+19.0 |
15 |
0.8 |
0.9 |
0.50 |
0.40 |
0.20 |
|||



















































































Адреса
бр.1 Рујчен пат, индустриски парк Донглиутинг, округ Ченгјанг, град Кингдао, провинција Шандонг, Кина
тел
Е-пошта